Таль электрическая передвижная Балканско Эхо тип Т39 — это высококачественный и надежный подъемный механизм, который позволяет перемещать грузы весом до 10 тонн на высоту до 36 метров. Эта таль производится на болгарском заводе «Балканско Эхо», который имеет более 60-летний опыт в области грузоподъемного оборудования.
Технические характеристики тельферов типа Т39:
- Грузоподъемность 6.3 т, группа FEM 9.511- 2m,
- Высота подъема 6 м,
- Скорость подъема 4 м/мин,
- Скорость передвижения – 20 м/мин,
- Электродвигатель подъема: мощность 4.5 кВт,
- Электродвигатель передвижения: мощность 0,25 кВт,
- Кратность полиспаста: 4/1
- Напряжение питания — 380 Вт,
- Частота — 50Гц,
- Температура эксплуатации – 20 + 40С,
- Защита от падения груза, при отключении электроэнергии.
- Термозащита электродвигателя на подъем,
- Ограничитель высоты подъема.
- Степень защиты IP54
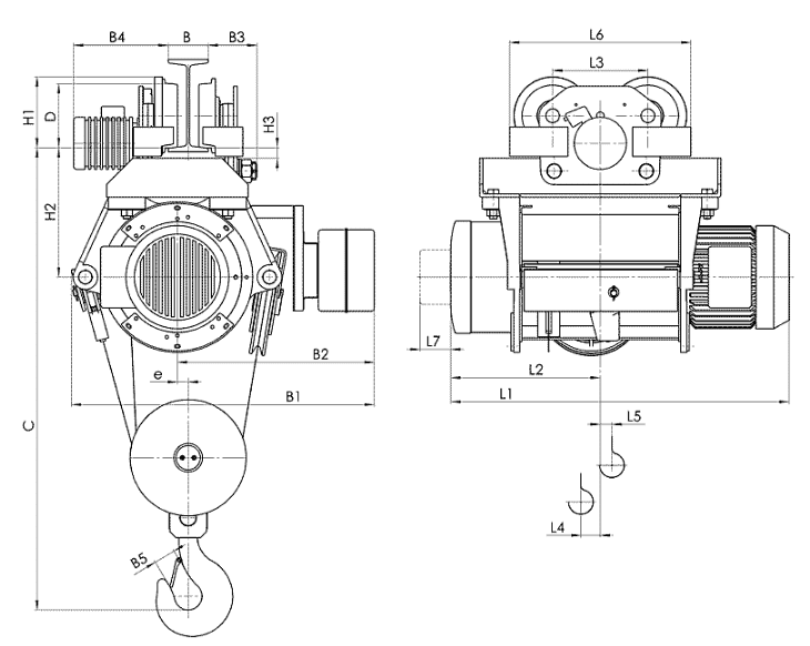
Габариты и вес
- L, мм: 1086
- L2, мм: 595
- L3, мм: 310
- В1max, мм: 985
- В2max, мм: 145
- В3max, мм: 365
- Н1, мм: 232
- Строительная высота Н, мм: 1310
- Ширина полки двутавровой балки В, мм: 130….150
- Марка балки по ГОСТ 19425 30М, 36М, 45М
- Масса 585 кг










